Złącze Wtykowe - Trójnik Y z Wtyczką - RQS - Typ RQSY
Złącze wtykowe do węży kalibrowanych zewnętrznie, trójnik typu Y, rozdzielacz symetryczny z wtykiem. Przeznaczone do budowy instalacji pneumatycznych.
Potrzebujesz pomocy przy wyborze tego produktu?
Skorzystaj z poniższych zasobów:

Przeznaczenie: Powietrze Złącze Wtykowe - Trójnik Y z Wtyczką - RQSY
Ciśnienie robocze: 10 bar
Podciśnienie: 750 mmHg (10 Torr)
Temperatura Pracy: od -0°C do +60°C
Zalecane Przewody: z Poliuretanu, z Poliamidu

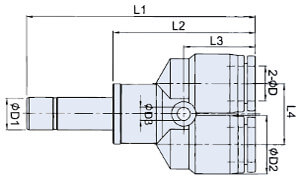
Ø zewn. węża (D) [mm Ø zewn. wtyku (D1) [mm] szerokość przyłącza (D2) [mm] Ø otworu mont. D3 [mm] długość całkowita (L1) [mm] długość mont. (L2) [mm] długość przyłącza (L3) [mm] odległość mont. (L4) [mm] ciśnienie pracy [bar] podciśnienie [bar] nr artykułu
4 4 11,5 3,2 52,5 33,5 14,5 11 10 0,9
6 6 13,5 3,2 53,8 34,8 15 13 10 0,9
8 8 15 3,2 57,8 37,8 18 15 10 0,9
10 10 19 4,2 71 46,5 21 18 10 0,9
12 12 21,5 4,2 75,5 49,5 21,5 21 10 0,9

Interesują Cię inne produkty, potrzebujesz fachowego doradztwa?
Zadzwoń do nas, a nasi specjaliści dobiorą produkty dostosowane do Twoich potrzeb.
kontakt do firmy Intertech
Korzystamy z zabezpieczeń Google reCAPTCHA.
Obowiązują Polityka prywatności, Warunki użytkowania usług Google oraz Polityka prywatności INTERTECH.
Copyright 2026 INTERTECH Importer węży i złączy dla przemysłu. Wszelkie prawa zastrzeżone. Developed by Cansoft sp. z o.o.