Złącze Wtykowe - Trójnik Y z Wtyczką Redukcyjną - RQS - Typ RQSY
Złącze wtykowe do węży kalibrowanych zewnętrznie, trójnik typu Y, rozdzielacz redukcyjny z wtykiem. Przeznaczone do budowy instalacji pneumatycznych.
Potrzebujesz pomocy przy wyborze tego produktu?
Skorzystaj z poniższych zasobów:

Przeznaczenie: Powietrze Złącze Wtykowe - Trójnik Y z Wtyczką Redukcyjną - RQSY
Ciśnienie robocze: 10 bar
Podciśnienie: 750 mmHg (10 Torr)
Temperatura Pracy: od -0°C do +60°C
Zalecane Przewody: z Poliuretanu, z Poliamidu

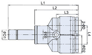
Ø zewn. węża (D) [mm Ø zewn. wtyku (D1) [mm] szerokość przyłącza (D2) [mm] Ø otworu mont. D3 [mm] długość całkowita (L1) [mm] długość mont. (L2) [mm] długość przyłącza (L3) [mm] odległość mont. (L4) [mm] ciśnienie pracy [bar] podciśnienie [bar] nr artykułu
4 6 11,5 3,2 52,8 33,8 15,5 11 10 0,9
6 8 13,5 3,2 55,5 35 15 13 10 0,9
8 10 15 3,2 62 37,3 18 15 10 0,9
10 12 19 4,2 72,5 46,5 21 18 10 0,9

Interesują Cię inne produkty, potrzebujesz fachowego doradztwa?
Zadzwoń do nas, a nasi specjaliści dobiorą produkty dostosowane do Twoich potrzeb.
kontakt do firmy Intertech
Korzystamy z zabezpieczeń Google reCAPTCHA.
Obowiązują Polityka prywatności, Warunki użytkowania usług Google oraz Polityka prywatności INTERTECH.
Copyright 2026 INTERTECH Importer węży i złączy dla przemysłu. Wszelkie prawa zastrzeżone. Developed by Cansoft sp. z o.o.