Złącze Wtykowe Proste - RQS - z Gwintem Zewnętrznym oraz Uszczelką - Typ RQSG G
Złącze wtykowe do węży kalibrowanych zewnętrznie, z gwintem zewnętrznym wg ISO 228. Przeznaczone do budowy instalacji pneumatycznych. Posiada gniazdo pod klucz imbusowy i sześciokat pod klucz zwykły.
Potrzebujesz pomocy przy wyborze tego produktu?
Skorzystaj z poniższych zasobów:

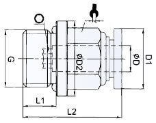
Przeznaczenie: Powietrze Złącze Wtykowe Proste z Uszczelką - Imbus - Wymiary
Ciśnienie robocze: 10 bar
Podciśnienie: 750 mmHg (10 Torr)
Temperatura Pracy: od -0°C do +60°C
Zalecane Przewody: z Poliuretanu, z Poliamidu

Ø zewn. węża (ØD) [mm] gwint zewn. BSPP [cale] Ø zewn. kołnierza (D1) [mm] Ø złącza (D2) [mm] długość gwintu (L1) długość całkowita (L2) [mm] rozmiar imbusa rozmiar klucza ciśnienie pracy [bar] podciśnienie [bar] nr artykułu
4 G 1/8" 12 14 5,5 19.5 3 10 10 0,9
4 G 1/4" 12 17 7,5 18.6 3 10 10 0,9
4 G 3/8" 12 20 7,5 19.6 3 10 10 0,9
6 G 1/8" 14 14 5,5 22 4 12 10 0,9
6 G 1/4" 14 17 7,5 22.5 4 12 10 0,9
6 G 3/8" 14 20 7,5 20.3 4 12 10 0,9
6 G 1/2" 14 24 10 23 4 12 10 0,9
8 G 1/8" 16 14 5,5 25 4 14 10 0,9
8 G 1/4" 16 17 7,5 24 5 14 10 0,9
8 G 3/8" 16 20 7,5 20.5 6 14 10 0,9
8 G 1/2" 16 24 10 24 6 14 10 0,9
10 G 1/8" 19,5 14 5,5 29 4 17 10 0,9
10 G 1/4" 19,5 17 7,5 30.5 6 17 10 0,9
10 G 3/8" 19,5 20 7,5 27 8 17 10 0,9
10 G 1/2" 19,5 24 10 30 8 17 10 0,9
12 G 1/8" 23 14 5,5 30 4 21 10 0,9
12 G 1/4" 23 17 7,5 33 6 21 10 0,9
12 G 3/8" 23 20 7,5 28 8 21 10 0,9
12 G 1/2" 23 24 10 30,5 8 21 10 0,9
14 G 3/8" 23 22 7,5 32,5 8 22 10 0,9
14 G 1/2" 23 24 10 30 10 24 10 0,9
16 G 3/8" 27 20 7,5 35 8 24 10 0,9
16 G 1/2" 27 24 10 37 10 24 10 0,9

Interesują Cię inne produkty, potrzebujesz fachowego doradztwa?
Zadzwoń do nas, a nasi specjaliści dobiorą produkty dostosowane do Twoich potrzeb.
kontakt do firmy Intertech
Korzystamy z zabezpieczeń Google reCAPTCHA.
Obowiązują Polityka prywatności, Warunki użytkowania usług Google oraz Polityka prywatności INTERTECH.
Copyright 2026 INTERTECH Importer węży i złączy dla przemysłu. Wszelkie prawa zastrzeżone. Developed by Cansoft sp. z o.o.