Złącze STORZ - z Króćcem do Węża - Złącze Tłoczne - Tworzywowo - Aluminiowe
Oryginalne złącze STORZ przeznaczone do montażu w wężach, z głowicą polipropylenu i trzpieniem z aluminium, przez niemieckiego producenta Feuer-Vogel z uszczelnieniem z NBR. Złącza te są stosowane do przemysłowego tłoczenia płynów i substancji sypkich w przemyśle, rolnictwie, pożarnictwie, asenizacji, ochronie środowiska. Są stosowane do transportu nieczystości bytowych, gnojówki, wody przemysłowej, brudnej wody, nawozów, czy wielu substancji chemicznych.
Potrzebujesz pomocy przy wyborze tego produktu?
Skorzystaj z poniższych zasobów:

Ciśnienie do 10 bar.
Uszczelnienie NBR.

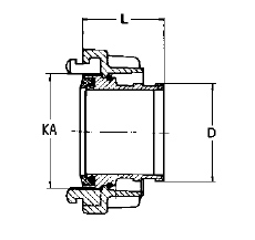
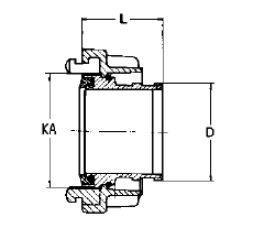
rozmiar Ø wewn. węża [mm] rozstaw zaczepów KA [mm] długość całkowita [mm] uwagi nr artykułu
52-C 42 66 55 DIN 14 332
52-C 52 66 55 DIN 14 302

Właściwości użytych materiałów i zastosowanie.

Złącze "Storz" (Strażackie) z krótkim króćcem do węży, głowica wykonana z polipropylenu i rdzeń z aluminium, z uszczelką z NBR.

Ogólne właściwości materiałów:

Stopy aluminium, poza glinem zawierają cynk, miedź, krzem, mangan i wiele innych metali. Charakteryzują się dużą wytrzymałością i twardością, oraz niską wagą. Dzięki odporności na korozję i małą gęstość, używa się tego materiału do wyrobu złączy niskociśnieniowych wszędzie tam, gdzie istotna jest niska waga produktu, czyli np. w systemach hydraulicznych, w przemyśle samochodowym, lotniczym, w automatyce i cybernetyce. Dzięki zastosowaniu techniki zwanej anodowaniem, zwiększa się odporność stopu na zużycie, czy przetarcie. Stopy te charakteryzują się również dobrą odpornością chemiczną na przesyłane media, dzięki czemu często polecane są w połączeniu z przewodami z tworzyw sztucznych.

Polipropylen, (PP) to polimer, który należy do grupy poliolefin. Uzyskuje się go w wyniku procesu polimeryzacji propenu. Źle reaguje w kontakcie z miedzią. Stąd też do produkcji wyrobów stanowiących połączenie PP i Cu używa się mosiężnych łączników. Materiał jest obojętny fizjologicznie.Odznacza się niepalnością, bezwonnością, a ponadto nie absorbuje wody. W branży przemysłowej ceni się go za łatwość przetwarzania. Związek charakteryzuje się termoplastycznością. Oznacza to, że staje się elastyczny pod wpływem wysokiej temperatury, a po przestygnięciu wraca do swojej poprzedniej twardości. Należy mieć na uwadze, że po przekroczeniu temperatury krytycznej ulega degradacji. Polipropylen doskonale nadaje się do produkcji wyrobów o złożonych kształtach, dzięki czemu znajduje szerokie zastosowanie w wielu branżach przemysłowych.

Polipropylen, charakteryzuje się również wysoką odpornością chemiczną na wiele agresywnych mediów w tym kwasy, zasady czy rozpuszczalniki organiczne. Nie jest jednak odporny na niektóre utleniacze, a zwłaszcza kwasy azotowy lub siarkowy. Nie jest również odporny na działanie zasad bielących, cieczy niepolarnych w tym czterochlorku węgla, benzenu czy chlorku metylu.

NBR zwany potocznie gumą olejoodporną jest kopolimerem butadienu i akrylonitrylu, procentowy skład tych związków decyduje o jej odporności na oleje i niską temperaturę. Może pracować od -20°C do +70°C dla gorącej wody, czy nawet +164°C dla pary wodnej. Guma ta wykazuje odporność na oleje silnikowe, opałowe, transformatorowe, smary, płyny hydrauliczne, węglowodory alifatyczne, propan, butan, benzynę, alkohole, wodne roztwory soli, rozcieńczone kwasy i zasady w niewysokich temperaturach. Świetnie pracuje w ścisku, przy dużych ciśnieniach. Guma ta wykazuje niską odporność na oleje i smary silikonowe, płyny hamulcowe na bazie glikolu, ciecze hydrauliczne typu HFD, stężone kwasy i ługi, węglowodory aromatyczne i chlorowane (np. benzen, tri), estry.

Normy

Produkt zgodny ze standardami dotyczącymi złączy STORZ DIN 14333, pracujących z ciśnieniem 10 bar, zarówno tłocznych jak i ssąco tłocznych. Standard ten zastąpił dotychczas stosowane standardy dotyczące złączy w rozmiarach D (DIN 14301), C (14302), B (14303) oraz standardy dotyczące złączy do stosowania w pożarnictwie np. DIN 14332, które obowiązywały od połowy lat osiemdziesiątych. DIN 14333 obowiązujący od sierpnia 2023 roku, określa parametry techniczne, wymiary i materiały złączy normalizując je tak, abyśmy zawsze mieli pewność, że zastosowane złącza będą do siebie pasować.

Zastosowanie

System "Storz" to system złączy, który został wymyślony przez Carla Augusta Guido Storza w 1882 roku i opatentowany w 1893 roku. W Polsce jest on powszechnie znany jako złącza strażackie lub hydrantowe. Charakteryzuje się on unikalną, symetryczną konstrukcją, która eliminuje potrzebę posiadania oddzielnych części męskich i żeńskich. Rozmiar złącza definiuje się głównie przez rozstaw zaczepów, a do ich zamykania stosuje się klucze hakowe dostępne w różnych rozmiarach. Aby połączyć dwa elementy, wystarczy obrót o ćwierć obrotu (90 stopni), co gwarantuje mocne i bezpieczne połączenie.

System zyskał popularność jako doskonała alternatywa dla tradycyjnych połączeń gwintowanych, oferując szybkie i szczelne łączenie, co jest niezwykle przydatne w pożarnictwie oraz różnych dziedzinach przemysłu. Złącza te są przystosowane do pracy zarówno z ciśnieniem, jak i podciśnieniem, do wartości do 10 bar. Umożliwiają one przesyłanie różnorodnych mediów, zarówno płynnych, jak i sypkich, znajdując zastosowanie w cysternach do transportu substancji takich jak ciecze ropopochodne, kwasy, woda, fekalia, chemikalia czy materiały cierne. Są one także używane w rolnictwie, ogrodnictwie, przemyśle chemicznym, spożywczym, farmaceutyce, w stoczniach, w portach, stacjach przeładunkowych, a także w systemach transportu pneumatycznego.

Krótkie króćce zastosowane w tych złączach, przeznaczone są do stosowania z płaskimi wężami, np strażackimi, do montowania w wężach za pomocą taśmowania, lub alternatywnych metod uzbrajania tłocznych węży płaskich. Zastosowanie głowicy z tworzywa sztucznego, sprawdza się głównie w pożarnictwie, oraz w niektórych gałęziach przemysłu chemicznego.



Interesują Cię inne produkty, potrzebujesz fachowego doradztwa?
Zadzwoń do nas, a nasi specjaliści dobiorą produkty dostosowane do Twoich potrzeb.
kontakt do firmy Intertech
Korzystamy z zabezpieczeń Google reCAPTCHA.
Obowiązują Polityka prywatności, Warunki użytkowania usług Google oraz Polityka prywatności INTERTECH.
Copyright 2026 INTERTECH Importer węży i złączy dla przemysłu. Wszelkie prawa zastrzeżone. Developed by Cansoft sp. z o.o.