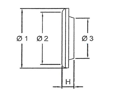
| rozmiar złącza męskiego | Ø całkowita (1) [mm] | Ø wejścia złącza (2) [mm] | Ø przyłącza (3) [mm] | długość całkowita (H) [mm] | ciśnienie pracy (2 haki) [bar] | ciśnienie pracy (3 haki) [bar] | nr artykułu |
|---|---|---|---|---|---|---|---|
| 48 | 94 | 70 | 62 | 18 | 10 | 15 |
|
| 60 | 114 | 89 | 82 | 22 | 10 | 14 |
|
| 80 | 142 | 110 | 99 | 26 | 9 | 12 |
|
| 100 | 168 | 130 | 120 | 32 | 8 | 11 |
|
| 120 | 188 | 155 | 143 | 38 | 7 | 10 |
|
| 150 | 222 | 185 | 175 | 38 | 6 | 9 |
|

Właściwości użytych materiałów i zastosowanie.
Kołnierz do wspawania FERARI INOX typ X1B wykonany ze stali nierdzewnej.
Ogólne właściwości materiałów:
Stal nierdzewna (stal szlachetna) to grupa stopów żelaza o specjalnych właściwościach fizykochemicznych, w tym przede wszystkim stopy odporne na korozję ze strony takich czynników jak powietrze atmosferyczne, rozcieńczone kwasy czy roztwory alkaliczne. Stal nierdzewna zawiera żelazo, chrom, mangan, krzem i węgiel, a w wielu przypadkach znaczne ilości niklu i molibdenu. Właściwość nierdzewności uzyskuje się przez stosowanie odpowiednich dodatków stopowych, ilość i rodzaj tych dodatków jest określona przepisami i normami. Najpopularniejsze są Europejska Norma 10088, Amerykańska Norma AISI czy popularna Niemiecka Norma DIN. Pierwiastki te reagują z tlenem z wody i powietrza, tworząc bardzo cienką, stabilną powłokę składającą się z takich produktów korozji jak tlenki metali i wodorotlenki. W tworzeniu tej powłoki produktów korozji dominującą rolę odgrywa chrom, reagując z tlenem. Wyższa zawartość chromu w stali daje lepszą odporność na korozję. Odbywa się to skokowo, gdyż odporność na korozję całości stopu zaczyna się od wartości co najmniej 13 % tego metalu. Odporność ta ulega dalszemu podwyższeniu po dodaniu molibdenu. Dodatek niklu ma na celu uzyskanie struktury austenitycznej stali, co ułatwia jej obróbkę plastyczną na zimno i spawanie. Nikiel podwyższa odporność stopu na korozję w warunkach kontaktu z kwasami solnym i siarkowym czy wodą morską.
Zastosowanie
System „FERRARI”, będący jednym z systemów elastycznego łączenia rur i przewodów w instalacjach przesyłowych, to jeden ze sztandarowych produktów włoskiego producenta OMV. Złącza te są dwuczęściowe i składają się z części wtykowej (męskiej) oraz gniazdowej (żeńskiej). Część gniazdowa posiada zapięcie w postaci dwóch lub trzech zaczepów i dźwigni przymocowanych do niej na zawiasach oraz uszczelkę typu O-ring (z okrągłym przekrojem). W tej części mocuje się kulę z wtyku, dzięki której złącze podczas pracy wykazuje się możliwością odchyłu od osi. Na kule nachodzi kołnierz, z kielichem i specjalnym pierścieniem, na którym spoczywają kły zaczepów z części żeńskiej. Po zaciągnięciu dźwigni zwanej również "heblem", wszystkie elementy są ze sobą połączone, zapewniając szczelność złącza. Elementy skrajne są przeznaczone do zespawania z rurami przesyłowymi, lub innymi elementami instalacji.
Złącza w tym systemie są skonstruowane do przesyłu agresywnych chemicznie płynów stosowanych w przemyśle chemicznym, ochronie środowiska, rolnictwie czy też w przemyśle spożywczym, spirytusowym, kosmetycznym a nawet w farmacji. Takie zastosowanie złączy jest możliwe dzięki uszczelce zrobionej ze specjalnej mieszaniny kauczuków, które idealnie nadają się do stosowania z różnymi substancjami agresywnymi dla innych materiałów. Na życzenie klienta dostępne są uszczelki z materiału odpornego na gorącą wodę i wiele kwasów i zasad, czyli EPDM.
Do zalet wykorzystania tego systemu złączy w instalacjach przesyłowych należą m. in.: łatwe łączenie złączy tylko za pomocą jednej ręki, szeroki zakres rozmiarów, obustronne połączenie pod kątem oraz pełna szczelność również przy zanieczyszczonych złączach.