| Materiał | Mosiądz. |
|---|---|
| Gwinty | ISO 228 |
| gwint zewn. (BSPP) [cale] | nr artykułu |
|---|---|
| G 3/8" |
|
| G 1/2" |
|
| G 3/4" |
|
| G 1" |
|
| G 1 1/4" |
|
| G 1 1/2" |
|
| G 2" |
|

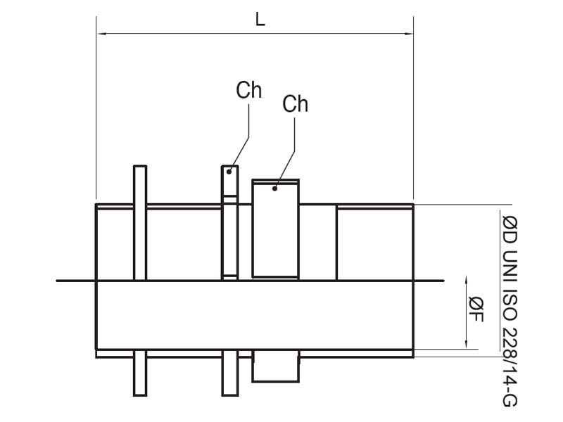
|
Rozmiar gwintu zewn. [cale] |
ØF |
L (długośc całkowita) [mm] |
Ch (rozmiar klucza) |
waga [kg] |
| G 3/8" | 10 | 70 | 30 | 0,09 |
| G 1/2" | 15 | 74 | 33 | 0,13 |
| G 3/4" | 20 | 79 | 38 | 0,21 |
| G 1" | 25 | 91,5 | 46 | 0,31 |
| G 1 1/4" | 32 | 88 | 52 | 0,42 |
| G 1 1/2" | 40 | 101 | 58 | 0,58 |
| G 2" | 50 | 117 | 70 | 0,76 |
Złącza gwintowane, to bardzo uniwersalny system, współpracujący z wieloma instalacjami przesyłowymi, urządzeniami, maszynami, pompami etc, które bardzo często standardowo są gwintowane. Króciec z gwintem wewnętrznym, pozwala na łączenie przewodów do instalacji, lub urządzeń wyposażonych w przyłącza gwintowane, zwłaszcza wszędzie tam, gdzie nie zachodzi konieczność szybkiego łączenia i rozłączania przewodów.
Złącza te przeznaczone są do przesyłu głównie wody i płynów. Złącza te mają bardzo uniwersalne zastosowanie w przemyśle, rolnictwie, rzemiośle, budownictwie, ogrodnictwie, czy w zastosowaniach przydomowych. Elementy stosowane są także w konstrukcji maszyn, urządzeń, agregatów, pojazdów, narzędzi oraz pomp, jak również w obiektach załadunkowych, stacjach napełniania i tankowania czy stacjach mieszania.
Złączy grodziowych, używa się w beczkach, zbiornikach etc. w celu ułatwienia dostępu do ich zawartości, przykładem mogą tu być zbiorniki na deszczówkę, na których chcemy zamontować zawór umożliwiający łatwe czerpanie nagromadzonej wody do zastosowań gospodarczych.
Właściwości użytych materiałów i zastosowanie.
Złącze grodziowe ze śrubunkiem wykonane z mosiądzu.
Ogólne właściwości materiałów:
Mosiądz jest jednym z najczęściej stosowanych w przemyśle stopów metali. Składa się przede wszystkim z miedzi i do 40% cynku, Dodatkowo w skład stopu wchodzą domieszki metali takich jak cyna, mangan, żelazo, aluminium, chrom czy krzem, których obecność procentowa decyduje o właściwościach stopu. Dzięki jego właściwościom fizycznym, stop ten jest jednocześnie stosunkowo wytrzymały i twardy, a jednocześnie dzięki właściwościom zawartego cynku, doskonale nadaje się do wykonywania precyzyjnych odlewów. Powoduje to iż, materiał ten często jest wykorzystywany do produkcji śrub, nakrętek, kształtek, gwintów i właśnie złączy i armatury do węży przesyłowych.