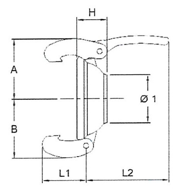
| rozmiar złącza | Ø przyłącza (1) [mm] | rozmiar mont. hak (L1) [mm] | rozmiar dźwigni (L2) [mm] | promień z hakami (A i B) [mm] | długość kielicha (H) [mm] | waga [kg] | ciśnienie pracy [bar] | nr artykułu |
|---|---|---|---|---|---|---|---|---|
| 60 | 55 | 50 | 150 | 77,5 | 45 | 0,65 | 19 |
|
| 80 | 76 | 70 | 150 | 102,5 | 54 | 0,86 | 16 |
|
| 100 | 95 | 87 | 155 | 120 | 60 | 1,4 | 14 |
|
| 120 | 117 | 87 | 190 | 135 | 64 | 2,1 | 13 |
|
| 150 | 145 | 90 | 190 | 145 | 74 | 2,4 | 11 |
|
| 200 | 192 | 100 | 280 | 190 | 93 | 4,3 | 6 |
|
| 250 | 244 | 100 | 280 | 220 | 107 | 5,7 | 5 |
|
| 300 | 310 | 175 | - | 290 | 130 | 13,4 | 5 |
|
| 400 | 410 | 245 | - | 305 | 160 | 24,1 | 5 |
|

Właściwości użytych materiałów i zastosowanie.
Złącze żeńskie do wspawania ANFOR typ A1C wykonane ze stali czarnej, z gumową uszczelką z mieszanki NR/SBR (na życzenie EPDM).
Ogólne właściwości materiałów:
Stal czarna, zwana również "węglową", znana z różnorodnych właściwości, stanowi jeden z najczęściej wykorzystywanych materiałów w przemyśle. Jej charakterystyka zależy od zawartości węgla w stopie stali, ale bez względu na to zawsze odznacza się spora gęstością, osiągającą niemal 8 g/cm3. Co jednak ważne, węgiel w stali czarnej występuje w zawartości nie większej niż 2%. Zdolność do przenoszenia obciążenia stałego i zmiennego, odporność na rozciąganie, ściskanie oraz uszkodzenia mechaniczne czynią ją niezastąpioną w wielu branżach. Zastosowanie stali czarnej jest niezwykle szerokie. Jest to materiał powszechnie stosowany w pracach ślusarskich, w produkcji maszyn oraz wyrobów użytkowych. Rury ze stali czarnej są nieodzowne w tworzeniu ciągów przemysłowych i sieci instalacyjnych. Dodatkowo, stal czarna odgrywa kluczową rolę w budownictwie mieszkaniowym i przemysłowym.
Guma naturalna, znana również jako NR, charakteryzuje się szeregiem wyjątkowych właściwości. Posiada wysoką odporność na rozciąganie, co sprawia, że jest odporna na pęknięcia i rozdarcia. Jej elastyczność zapewnia odporność na niskie temperatury i umożliwia rozciąganie bez utraty pierwotnego kształtu. NR ma też doskonałe właściwości dynamiczne, w tym wyjątkową odporność na ścieranie, co sprawia, że jest niezwykle trwała. Te unikalne cechy, występujące razem, są trudne do osiągnięcia dla syntetycznych elastomerów, dlatego do dziś wykorzystuje się kauczuk naturalny. Niemniej jednak, guma naturalna ma swoje słabe strony. Jest podatna na działanie olejów i smarów mineralnych oraz jest wrażliwa na promieniowanie ultrafioletowe (UV). Ponadto, jest narażona na działanie ozonu i procesy starzenia.
Kauczuk butadienowo-styrenowy, znany również jako SBR, jest rodzajem gumy o właściwościach elastycznych porównywalnych do tych, które posiada kauczuk naturalny. Wyróżnia go zwiększona odporność na czynniki atmosferyczne, takie jak ozon, woda i wysokie temperatury, co sprawia, że jest doskonałym materiałem do zastosowań na zewnątrz. SBR jest również odporny na niektóre chemikalia, w tym alkohole takie jak metanol i etanol. Wykazuje ograniczoną odporność na kwasy, takie jak kwas siarkowy i kwas solny, oraz na nieorganiczne zasady, ale tylko do niższych stężeń. Jednakże, SBR nie jest odporny na smary i oleje mineralne, co ogranicza jego zastosowanie w niektórych przemysłach. Ponadto, nie jest odporny na benzynę i węglowodory alifatyczne, aromatyczne i chlorowane, co powoduje, że jest niewłaściwy do stosowania w środowiskach, gdzie te substancje są obecne.
Zastosowanie
System „Anfor”, to jeden z systemów elastycznego łączenia rur i przewodów w instalacjach przesyłowych. Złącza te są dwuczęściowe i składają się z części wtykowej (męskiej) oraz gniazdowej (żeńskiej). Część gniazdowa posiada zapięcie w postaci dwóch zaczepów i dźwigni przymocowanych do niej na zawiasach oraz wymienną uszczelkę typu O-ring (z okrągłym przekrojem). W tej części mocuje się kulę, dzięki której złącze podczas pracy wykazuje się możliwością odchyłu od osi. Na kule nachodzi kołnierz, ze specjalnym pierścieniem, na którym spoczywają kły zaczepów z części żeńskiej. Po zaciągnięciu dźwigni zwanej również "heblem", wszystkie elementy są ze sobą połączone, zapewniając szczelność złącza. Element przeznaczony do zespawania z rurami przesyłowymi, lub innymi elementami instalacji.
Złącza w tym systemie są skonstruowane do systemów przesyłu wody i w instalacjach nawadniających, ale znajdą zastosowanie również w rolnictwie, ogrodnictwie, przemyśle, budownictwie, inżynierii dróg i tuneli, w oczyszczalniach ścieków, przy odprowadzaniu fekaliów, ochronie środowiska etc.
Do zalet wykorzystania tego systemu złączy w instalacjach przesyłowych należą m. in.: łatwe łączenie złączy tylko za pomocą jednej ręki, szeroki zakres rozmiarów, obustronne połączenie pod kątem oraz pełna szczelność również przy zanieczyszczonych złączach.