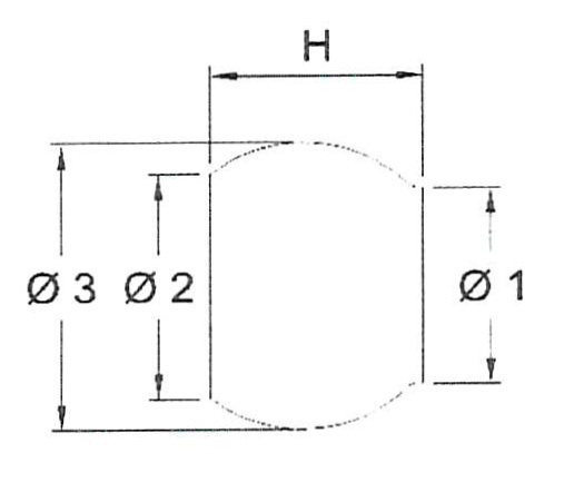
| rozmiar złącza | Ø przyłącza (1) [mm] | Ø wejścia złącza (2) [mm] | Ø całkowita kuli (3) [mm] | długość całkowita (H) [mm] | waga [kg] | ciśnienie pracy (2 haki) [bar] | ciśnienie pracy (3 haki) [bar] | nr artykułu |
|---|---|---|---|---|---|---|---|---|
| 60 | 56 | 65 | 85 | 63 | 0,26 | 19 | 24 |
|
| 80 | 77 | 85 | 117 | 90 | 0,65 | 16 | 21 |
|
| 100 | 95 | 108 | 140 | 100 | 0,9 | 14 | 19 |
|
| 120 | 115 | 122 | 159 | 110 | 1,2 | 13 | 17 |
|
| 150 | 144 | 157 | 186 | 116 | 1,45 | 11 | 16 |
|
| 200 | 195 | 210 | 243 | 136 | 2,6 | 6 | 10 |
|
| 250 | 235 | 250 | 295 | 170 | 5,2 | 5 | 8 |
|
| 300 | 310 | 318 | 368 | 210 | 8,5 | 5 | 8 |
|
| 400 | 410 | 415 | 490 | 285 | 17,5 | 5 | 7 |
|

Właściwości użytych materiałów i zastosowanie.
Kula do wspawania ANFOR typ A1A wykonana ze stali czarnej.
Ogólne właściwości materiałów:
Stal czarna, zwana również "węglową", znana z różnorodnych właściwości, stanowi jeden z najczęściej wykorzystywanych materiałów w przemyśle. Jej charakterystyka zależy od zawartości węgla w stopie stali, ale bez względu na to zawsze odznacza się spora gęstością, osiągającą niemal 8 g/cm3. Co jednak ważne, węgiel w stali czarnej występuje w zawartości nie większej niż 2%. Zdolność do przenoszenia obciążenia stałego i zmiennego, odporność na rozciąganie, ściskanie oraz uszkodzenia mechaniczne czynią ją niezastąpioną w wielu branżach. Zastosowanie stali czarnej jest niezwykle szerokie. Jest to materiał powszechnie stosowany w pracach ślusarskich, w produkcji maszyn oraz wyrobów użytkowych. Rury ze stali czarnej są nieodzowne w tworzeniu ciągów przemysłowych i sieci instalacyjnych. Dodatkowo, stal czarna odgrywa kluczową rolę w budownictwie mieszkaniowym i przemysłowym.
Zastosowanie
System „Anfor”, to jeden z systemów elastycznego łączenia rur i przewodów w instalacjach przesyłowych. Złącza te są dwuczęściowe i składają się z części wtykowej (męskiej) oraz gniazdowej (żeńskiej). Część gniazdowa posiada zapięcie w postaci dwóch zaczepów i dźwigni przymocowanych do niej na zawiasach oraz uszczelkę typu O-ring (z okrągłym przekrojem). W tej części mocuje się kulę, dzięki której złącze podczas pracy wykazuje się możliwością odchyłu od osi. Na kule nachodzi kołnierz, z kielichem i specjalnym kołnierzem, na którym spoczywają kły zaczepów z części żeńskiej. Po zaciągnięciu dźwigni zwanej również "heblem", wszystkie elementy są ze sobą połączone, zapewniając szczelność złącza. Kulę należy zespawać z kołnierzem i elementem przyłączeniowym (rurą) w rozmiarze jej przelotu.
Złącza w tym systemie zostały zaprojektowane z myślą o systemach przesyłu wody w instalacjach nawadniających, jednak znajdują zastosowanie również w takich sektorach jak rolnictwo, ogrodnictwo, przemysł, budownictwo, inżynieria dróg i tuneli, oczyszczalnie ścieków, systemy odprowadzania fekaliów, czy ochrona środowiska.
Korzyści wynikające z zastosowania tego systemu złączy w instalacjach przesyłowych obejmują: łatwość łączenia złączy jedną ręką, szeroki zakres rozmiarów, możliwość obustronnego połączenia pod kątem, a także gwarancję pełnej szczelności, nawet w przypadku zanieczyszczonych złączy.