Zawór Wtykowy Kątowy - Dławiąco-Zwrotny na Wyjściu - RQS - Typ GRLARQS
Złącze wtykowe pod kątem prostym do węży kalibrowanych zewnętrznie, z gwintem zewnętrznym wg EN 10226 (BSPT) lub metrycznym (DIN 158). Złącze z zaworem dławiąco - zwrotnym na wylocie. Przeznaczone do budowy instalacji pneumatycznych. Posiada sześciokąt pod klucz.
Potrzebujesz pomocy przy wyborze tego produktu?
Skorzystaj z poniższych zasobów:

Przeznaczenie: Powietrze zawor-wtykowy-katowy-dlawioco-zwrotny-grlarqs-rys
Ciśnienie robocze: 10 bar
Podciśnienie: 750 mmHg (10 Torr)
Temperatura Pracy: od -0°C do +60°C
Zalecane Przewody: z Poliuretanu, z Poliamidu

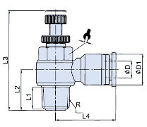
Ø zewn. węża (D) [mm] gwint zewn. BSPT [cale] gwint zewn. metryczny (DIN 158) szerokość przyłącza (D1) [mm] długość gwintu (L1) [mm] długość mont. gwint (L2) [mm] długość całkowita (L3) [mm] długość mont. przył. (L4) [mm] rozmiar klucza ciśnienie pracy [bar] podciśnienie [bar] nr artykułu
4 - M 5 11,5 3,5 12 32 20,5 8 10 0,9
4 R 1/8" - 11,5 6,4 14 42 23,5 12 10 0,9
4 R 1/4" - 11,5 10 18 48 25,5 14 10 0,9
6 - M 5 13,5 3,5 12 32 22 8 10 0,9
6 R 1/8" - 13,5 6,4 14 42 23,5 12 10 0,9
6 R 1/4" - 13,5 10 18 48 25,4 14 10 0,9
6 R 3/8" - 13,5 11,4 20,5 53 29,5 19 10 0,9
6 R 1/2" - 13,5 14 25,5 61 32,5 24 10 0,9
8 R 1/8" - 15 6,4 14,5 42 26,5 12 10 0,9
8 R 1/4" - 15 10 19 48 28,9 14 10 0,9
8 R 3/8" - 15 11,4 20,5 53 29,8 19 10 0,9
8 R 1/2" - 15 14 25,5 61 32,5 24 10 0,9
10 R 1/8" - 19 6,4 17,5 42 30,3 12 10 0,9
10 R 1/4" - 19 10 20 48 32,6 14 10 0,9
10 R 3/8" - 19 11,4 22,5 53 33 19 10 0,9
10 R 1/2" - 19 14 25,5 61 36 24 10 0,9
12 R 1/4" - 21,5 10 20 48 33,5 14 10 0,9
12 R 3/8" - 21,5 11,4 24 53 35,5 19 10 0,9
12 R 1/2" - 21,5 14 30 61 36,5 24 10 0,9

Interesują Cię inne produkty, potrzebujesz fachowego doradztwa?
Zadzwoń do nas, a nasi specjaliści dobiorą produkty dostosowane do Twoich potrzeb.
kontakt do firmy Intertech
Korzystamy z zabezpieczeń Google reCAPTCHA.
Obowiązują Polityka prywatności, Warunki użytkowania usług Google oraz Polityka prywatności INTERTECH.
Copyright 2026 INTERTECH Importer węży i złączy dla przemysłu. Wszelkie prawa zastrzeżone. Developed by Cansoft sp. z o.o.