| Materiał korpusu i przyłącza | Mosiądz CW617N-UNIEN12165, niklowany |
|---|---|
| Kula | Mosiądz CW617N-UNIEN12165 chromowana. |
| Trzpień | Mosiądz CW614N-UNIEN12164. |
| kołnierz | Stal ocynkowana |
| Rączka | Stal ocynkowana pokryta tworzywem sztucznym |
| Filtr | Stal szlachetna AISI 304 - Nylon |
| Uszczelnienie kuli | PTFE. |
| Uszczelka płaska i O-Ringi | NBR+FKM. |
| Gwinty | ISO 228/1 |
| gwint | ciśnienie [bar] | nr artykułu |
|---|---|---|
| 1/2" | 30 |
|
| 3/4" | 30 |
|
| 1" | 30 |
|
| 1.1/4" | 20 |
|
| 1.1/2" | 20 |
|
| 2" | 20 |
|
Właściwości użytych materiałów i zastosowanie.
Zawór kulowy z wymiennym wbudowanym filtrem, wykonany z mosiądzu niklowanego, z elementami ze stali szlachetnej, stali ocynkowanej i uszczelnieniami z teflonu (PTFE), gumy olejoodpornej (NBR), gumy fluorowej (FKM).
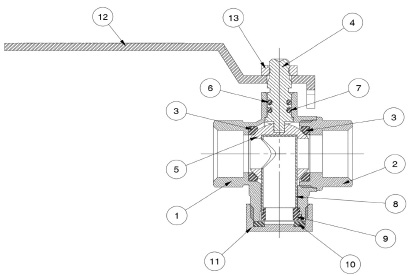
Schemat budowy zaworu:

1. Korpus, 2. Przyłącze, 3. Uszczelnienie kuli, 4. Trzpień, 5. Kula, 6. i 7. Uszczelki typu O-ring, 8. i 9. Filtr, 10. Uszczelka płaska, 11. Wtyk z filtrem, 12. Rączka, 13. Kołnierz
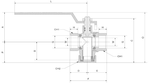
Wymiary:

Legenda:
| Gwint | A | B | C | D | E | F | H | L | M (DN) | O | P | CH1 | CH2 |
| 1/2" | 44,2 | 27 | 66,2 | 24 | 26.7 | 50,7 | 11 | 100 | 12 | 75,2 | 31 | 25 | 24 |
| 3/4" | 47,4 | 30,9 | 73,5 | 29 | 32.3 | 61,3 | 13 | 100 | 16 | 82,5 | 35,1 | 31 | 30 |
| 1" | 50,8 | 34,5 | 80,5 | 34,5 | 35.6 | 70,1 | 15 | 100 | 20 | 89,5 | 38,7 | 38 | 38 |
| 1 1/4" | 74 | 46,5 | 106 | 40 | 45 | 85 | 17 | 158 | 28 | 125,5 | 51,5 | 48 | 46 |
| 1 1/2" | 80 | 52,5 | 118 | 45,5 | 52 | 97,5 | 17 | 158 | 36 | 137,5 | 57,5 | 54 | 55 |
| 2" | 88,5 | 63,5 | 143 | 54 | 63 | 117 | 20 | 158 | 46 | 157 | 68,5 | 66 | 65 |
| Parametry przepływu i ciśnienia: | |
| Wykres wytrzymałości na ciśnienie w różnych temperaturach | ![]() |
| Wykres przepływu dla różnych wartości ciśnienia. | ![]() |
Ogólne właściwości materiałów:
Mosiądz to jeden z najczęściej stosowanych w przemyśle stopów metali kolorowych. Składa się przede wszystkim z miedzi i do 40% cynku. Dodatkowo w skład stopu wchodzą domieszki metali takich jak cyna, mangan, żelazo, aluminium, chrom czy krzem, których obecność procentowa decyduje o właściwościach stopu. Dzięki jego właściwościom fizycznym, stop ten jest jednocześnie stosunkowo wytrzymały i twardy, a jednocześnie dzięki właściwościom zawartego cynku, doskonale nadaje się do wykonywania precyzyjnych odlewów. Powoduje to iż, materiał ten często jest wykorzystywany do produkcji śrub, nakrętek, kształtek, gwintów i właśnie złączy i armatury do węży przesyłowych.
Złącza wykonane z tego materiału znajdują zastosowanie zwłaszcza przy przesyle niskociśnieniowym w niskich temperaturach. Stosowany zazwyczaj do wody i nieagresywnych mediów w ogrodnictwie, w rolnictwie i przy lekkich zastosowaniach przemysłowych, ale również jest wykorzystywany do przesyłu nieagresywnych mediów gazowych, w tym powietrza pod ciśnieniem zawierającego tzw. "mgiełkę olejową" stosowaną w urządzeniach pneumatycznych.
Niklowanie powierzchni, w tym wypadku mosiądzu, stosuje się w celu zwiększenia odporności mechanicznej materiału oraz jego żywotności. Warstwa niklu powoduje, iż wyroby są trwalsze, mniej podatne na uszkodzenia mechaniczne, oraz kontakt z substancjami mogącymi powodować zgąbczenie mosiądzu (wypłukiwanie cynku ze stopu przy kontakcie z agresywnymi mediami utleniającymi, takimi jak chlor), co może osłabić wytrzymałość szybkozłączki np na ciśnienie.
Stal Szlachetna to grupa stopów żelaza, potocznie rozumianych również jako stal nierdzewna, odróżniająca się jednak od niej procesem wytapiania wyłącznie metodami charakteryzującymi się wysokim stopniem czystości dodatków. Stal ta charakteryzuje się bardzo dobrą odpornością na czynniki powodujące korozję, takie jak powietrze atmosferyczne, rozcieńczone kwasy, roztwory alkaliczne, słona woda morska czy chemikalia. Podobnie jak w przypadku stali nierdzewnej, podlega ona normalizacji. Najpopularniejsze są Europejska Norma 10088, Amerykańska Norma AISI czy popularna Niemiecka Norma DIN.
Stal ocynkowana jest to stal zabezpieczona przed korozją poprzez nałożenie warstwy cynku. Antykorozyjne właściwości powłok cynkowych polegają na tym, że cynk może tworzyć niezwykle odporne i bardzo trudno rozpuszczalne powłoki kryjące. Tworzą się one podczas kontaktu z powietrzem i wodą, składają się głównie z zasadowego węglanu cynku i to one są odpowiedzialne za właściwą ochronę przed korozją. Wprawdzie z biegiem lat są one w niewielkich ilościach znoszone przez wiatr i wpływy atmosferyczne, jednak z uwagi na znajdujący się pod nimi cynk, powstają na nowo. Jakość uzyskiwanych powłok cynkowych (połysk, gładkość, grubość, przyczepność, itp.) jest na nich różna i zależy od składu chemicznego, w szczególności od zawartości węgla, fosforu i krzemu.
Uszczelnienie kuli z PTFE czyli Teflonu (Politetrafluoroetylen – Policzterofluoroetylen), który odporny jest na prawie wszystkie media, niezależnie od tego czy dotyczy to rozpuszczalników, zasad, kwasów, innych płynów lub gazów. PTFE posiada znakomite właściwości ślizgowe i może być używany w szerokim zakresie temperatur od -20°C do 260°C, krótkotrwale do 300°C.
NBR zwany potocznie gumą olejoodporną jest kopolimerem butadienu i akrylonitrylu, procentowy skład tych związków decyduje o jej odporności na oleje i niską temperaturę. Może pracować od -20°C do +70°C dla gorącej wody, czy nawet +164°C dla pary wodnej. Guma ta wykazuje odporność na oleje silnikowe, opałowe, transformatorowe, smary, płyny hydrauliczne, węglowodory alifatyczne, propan, butan, benzynę, alkohole, wodne roztwory soli, rozcieńczone kwasy i zasady w niewysokich temperaturach. Świetnie pracuje w ścisku, przy dużych ciśnieniach. Guma ta wykazuje niską odporność na oleje i smary silikonowe, płyny hamulcowe na bazie glikolu, ciecze hydrauliczne typu HFD, stężone kwasy i ługi, węglowodory aromatyczne i chlorowane (np. benzen, tri), estry.
Viton oznaczany jako FPM lub FKM to Fluoroelastomer, który posiada dobrą odporność na wiele olejów, paliw, rozpuszczalników, kwasów i inne agresywne media. Należy również podkreślić bardzo dobrą odporność Vitonu na warunki atmosferyczne czy niepalność. Kauczuk ten jest kopolimerem monomerów zawierających fluor, w tym głównie fluorek winilidenu i sześciofluoropropylenu lub fluorku winilidenu i trójchloroetylenu. Jego nazwa jest zastrzeżona przez firmę DuPont. Kauczuk fluorowy nie jest odporny na stężone kwasy organiczne, ketony, estry i etery małocząsteczkowe (np. octan etylu, doksan), stężone roztwory ługu sodowego i kwasów. Uszczelki na bazie Vitonu wyróżniają się stabilnością wymiarów oraz wykazują się właściwościami samosmarującymi.
Zastosowanie
Zawór kulowy, wykonany z mosiądzu, przeznaczony jest do transportu nieagresywnych mediów płynnych, które wyszczególniono w dyrektywie Unii Europejskiej 2014/68/EU Grupa 1 płyny. Charakteryzuje się zastosowaniem wbudowanego wymiennego filtru o gęstości siatki 500 µm. Dzięki temu nie ma potrzeby stosowania w instalacji dodatkowych filtrów. Zawór świetnie sprawdzi się wszędzie tam, gdzie musimy mieć pewność, iż przesyłane medium, nie będzie zawierało cząstek stałych, mogących uszkodzić elementy urządzeń, lub wrażliwych na uszkodzenia elementów instalacji. Wymienny filtr, umożliwia łatwe czyszczenie, bez potrzeby wymiany całego zaworu. Aby wyczyścić filtr, należy zamknąć zawór, ustawiając rączkę prostopadle do kierunku przepływu. Następnie odkręcić nakrętkę z filtrem, znajdującą się na spodzie zaworu i wyciągnąć filtr do wyczyszczenia. Po oczyszczeniu filtru, należy go ponownie zamontować w zaworze, dobrze dokręcić zaślepkę i otworzyć zawór, ustawiając rączkę zgodnie z kierunkiem przepływu.