Zawór Kulowy - GW/GW - z Mosiądzu Niklowanego - KARASTO
Zawór kulowy w obudowie z mosiądzu chromowanego z rączką motylkową, z gwintami wewnętrznymi. Uniwersalne zastosowanie przy przesyle mediów ciekłych i gazowych głównie w przemyśle i zastosowaniach gospodarczych. Pełny przepływ, maksymalne ciśnienie pracy 40 bar.

Materiał Korpus: Mosiądz CW617N niklowany; kula: mosiądz CW617N chromowany. Wrzeciono: mosiądz CW614N; skrzydełko: aluminium, emalia czerwona.
Temperatura pracy Woda od 0 °C do +100 °C; powietrze -15 °C do +220 °C.
Uszczelnienie Kula z pierścieniami z PTFE. Wrzeciono z O-ringiem z FKM (fluoroelastomer) zgodnie z DIN ISO 1629 i jeden O-ring NBR.
Ciśnienie pracy 40 bar.

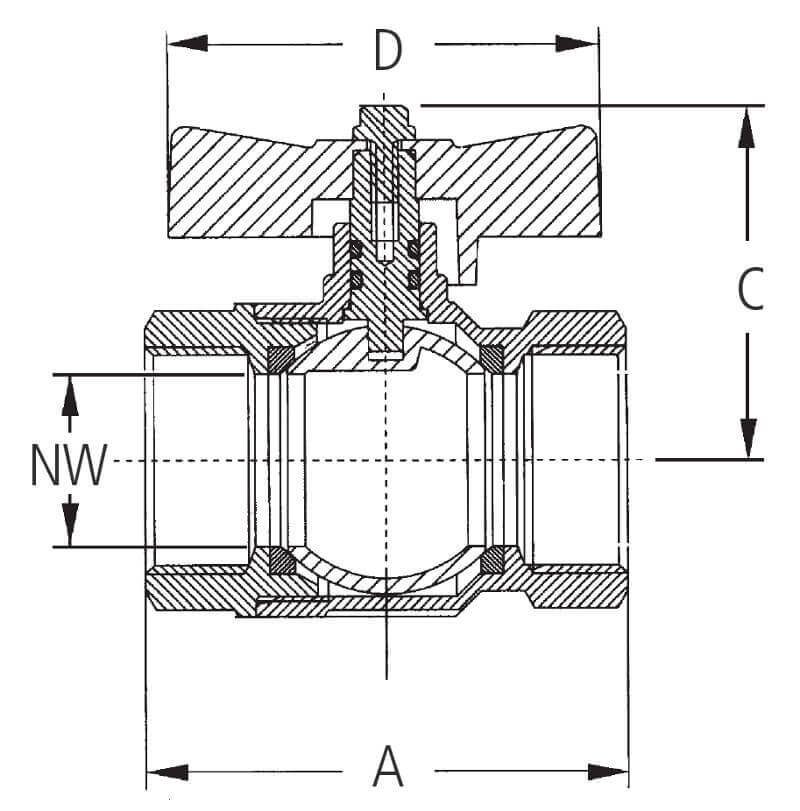
gwint wewn. NW [mm] A [mm] c [mm] D [mm] nr id nr artykułu
1/4" 10 44 36.5 47 5814
3/8“ 10 44 36.5 47 5890
1/2“ 15 52 40 47 5891
3/4“ 20 57 48 62 5893
1" 25 69 52 62 5894

Właściwości użytych materiałów i zastosowanie.

Zawór kulowy z gwintami wewnętrznymi z pełnym przepływem, z mosiądzu chromowanego, z elementami z aluminium i uszczelkami z PTFE, FKM i NBR.

Ogólne właściwości materiałów:

Mosiądz chromowany stosuje się dla zachowania fizycznych właściwości którymi charakteryzuje się mosiądz, ale potrzebna jest odporność powierzchni wyrobu na śniedzenie, czyli zjawisko korozji metalu, oraz zabezpiecza przed zjawiskiem odcynkowania, które polega na wypłukiwaniu ze struktury stopu atomów cynku. Dochodzi do tego zjawiska w środowisku zawierającym chlor, który rozpuszcza cynk i doprowadza do zgąbczenia materiału. Taki materiał traci wówczas wytrzymałość, co może skutkować w przypadku przewodów przesyłowych, uszkodzeniem mienia, zdrowia a nawet życia operatorów. Na odcynkowanie mosiądzu wpływ ma również praca przy wysokich temperaturach, oraz w kwaśnym środowisku (substancje o niskim pH). Nałożona na mosiądz warstwa ochronna z czasem ulega mechanicznemu ścieraniu. Zwykle ten proces jest bardzo powolny i może trwać kilka lat.

Złącza wykonane z tego materiału znajdują zastosowanie zwłaszcza przy przesyle niskociśnieniowym w niskich temperaturach. Najczęściej stosowany do wody i nieagresywnych mediów w ogrodnictwie, w rolnictwie i przy lekkich zastosowaniach przemysłowych, zwłaszcza związanych z utrzymaniem czystości. Mosiądz może być również wykorzystywany w instalacjach do przesyłu nieagresywnych mediów gazowych. Materiał ten jest odporny na warunki atmosferyczne i promieniowanie UV, jednak nie zaleca się narażenia go na szybkie ścieranie mechaniczne.

Politetrafluoroetylen czyli PTFE to polimer fluorowy, który otrzymuje się poprzez polimeryzację tetrafluoroetylenu. Materiał powszechnie znany pod nazwą handlową teflon, ale również polyflon czy tarflen. Jest termoplastem o wysokiej sprawności i właściwościach semikrystalicznych. Materiał ten uważa się za jeden z najbardziej stabilnych termicznie, wyróżnia się bardzo dużą odpornością na działanie niemal każdego znanego pierwiastka, związku chemicznego czy rozpuszczalnika. Stosowany jest między innymi do wyrobu aparatury chemicznej, do budowy maszyn, w kriotechnice, technice filtracyjnej, medycznej czy w przemyśle spożywczym.

Viton oznaczany jako FPM lub FKM to Fluoroelastomer, który posiada dobrą odporność na wiele olejów, paliw, rozpuszczalników, kwasów i inne agresywne media. Należy również podkreślić bardzo dobrą odporność Vitonu na warunki atmosferyczne czy niepalność. Kauczuk ten jest kopolimerem monomerów zawierających fluor, w tym głównie fluorek winilidenu i sześciofluoropropylenu lub fluorku winilidenu i trójchloroetylenu. Jego nazwa jest zastrzeżona przez firmę DuPont .Kauczuk fluorowy nie jest odporny na stężone kwasy organiczne, ketony, estry i etery małocząsteczkowe (np. octan etylu, doksan), stężone roztwory ługu sodowego i kwasów oraz gorącą wodę i parę wodną. Uszczelki na bazie Vitonu wyróżniają się stabilnością wymiarów oraz wykazują się właściwościami samosmarującymi.

NBR zwany potocznie gumą olejoodporną jest kopolimerem butadienu i akrylonitrylu, procentowy skład tych związków decyduje o jej odporności na oleje i niską temperaturę. Może pracować od -20°C do +70°C dla gorącej wody, czy nawet +164°C dla pary wodnej. Guma ta wykazuje odporność na oleje silnikowe, opałowe, transformatorowe, smary, płyny hydrauliczne, węglowodory alifatyczne, propan, butan, benzynę, alkohole, wodne roztwory soli, rozcieńczone kwasy i zasady w niewysokich temperaturach. Świetnie pracuje w ścisku, przy dużych ciśnieniach. Guma ta wykazuje niską odporność na oleje i smary silikonowe, płyny hamulcowe na bazie glikolu, ciecze hydrauliczne typu HFD, stężone kwasy i ługi, węglowodory aromatyczne i chlorowane (np. benzen, tri), estry.

Rączka wykonana ze stopu aluminium, który oprócz glinu, zawiera także cynk, miedź, krzem, mangan i wiele innych metali. Wyróżnia się wysoką wytrzymałością, twardością oraz niską masą. Ze względu na odporność na korozję i małą gęstość, stosuje się je do produkcji złączy niskociśnieniowych w miejscach, gdzie istotna jest redukcja masy produktu, np. w systemach hydraulicznych, przemyśle samochodowym, lotniczym, automatyce czy cybernetyce. Stopy te cechują się również dobrą odpornością chemiczną zwłaszcza na zjadliwe dla wielu innych metali warunki atmosferyczne, lub inne czynniki powodujące przyspieszoną korozję. Zastosowanie materiałów odpornych na korozję wpływa na dłuższą żywotność produktów, co przekłada się na oszczędności ekonomiczne w porównaniu z częstą wymianą elementów o niższej cenie i gorszych parametrach wytrzymałościowych.

Normy

Norma ISO 1629 dotyczy stosowania nazewnictwa i sposobu oznaczania kauczuków, na podstawie budowy chemicznej ich łańcuchów polimerowych, aby usystematyzować i ułatwić rozpoznawalność tego typu materiałów w handlu.

Produkt zgodny z rozporządzeniem Parlamentu i Rady Unii Europejskiej (UE) 2019/1021, które dotyczy trwałych zanieczyszczeń organicznych, mogących na trwałe przenikać do środowiska, czy organizmów żywych. Zgodnie z tym rozporządzeniem, oraz zgodnie z rozporządzeniem (WE) nr 1907/2006 (znanym jako REACH) wyroby proponowane przez producenta, spełniają normy ilościowe zawartych substancji. Pełna treść rozporządzenia w języku polskim dostępna tutaj >>>

Zgodnie z art. 33 rozporządzenia (EC) nr 1907/2006, zwanym rozporządzeniem REACH, producent informuje, iż użyty do produkcji złączek mosiądz, może zawierać więcej niż 0,1% masy całkowitej Ołowiu (Pb), który figuruje na tzw. "Liście Kandydatów" substancji wzbudzających szczególnie duże obawy (SVHC). Ołów uważany jest za substancje niebezpieczną i figuruje pod numerem CAS: 7439-92-1. Pełny wykaz substancji znajduje się na stronie Agencji Chemikaliów Parlamentu Europejskiego, dostępnej tutaj >>>

Zastosowanie:

Zawory kulowe to rodzaj zaworów przepustowych, które służą do regulacji przepływu mediów, takich jak ciecze, czy gazy w różnych systemach i instalacjach przesyłowych. Zawory kulowe cechują się prostą konstrukcją, szybkim działaniem oraz wysoką niezawodnością, co sprawia, że są powszechnie stosowane w przemyśle. Zasada działania zaworu kulowego opiera się na obrotowej kuli z otworem, która umieszczona jest we wrzecionie zaworu. Kula ta może obracać się o 90 stopni, co pozwala na otwarcie lub zamknięcie przepływu medium. Gdy otwór w kuli jest zgodny z kierunkiem przepływu medium, zawór jest otwarty, co pozwala na swobodny przepływ. Natomiast gdy kula zostaje obrócona o 90 stopni, otwór staje się prostopadły do kierunku przepływu, blokując go całkowicie. Obrót kuli w zaworze kulowym może być kontrolowany za pomocą dźwigni, pokrętła.

Zawory kulowe są cenione za swoją prostą konstrukcję, łatwość obsługi, szybkie otwieranie i zamykanie, niskie opory przepływu oraz długą żywotność. Ze względu na te zalety, znajdują zastosowanie w różnych dziedzinach przemysłu, takich jak przemysł chemiczny, spożywczy, farmaceutyczny, energetyczny czy instalacje wodociągowe i gazowe.

Ponieważ zawór działa na zasadzie otwórz / zamknij, nie nadaje się do regulacji siły przepływu strumienia medium, co jednocześnie zapobiega jego „przeciekaniu”, które łatwo przeoczyć. Zawór w momencie gdy stwierdzimy drobne wycieki, jest niesprawny i wymaga wymiany.



Interesują Cię inne produkty, potrzebujesz fachowego doradztwa?
Zadzwoń do nas, a nasi specjaliści dobiorą produkty dostosowane do Twoich potrzeb.
kontakt do firmy Intertech
Korzystamy z zabezpieczeń Google reCAPTCHA.
Obowiązują Polityka prywatności, Warunki użytkowania usług Google oraz Polityka prywatności INTERTECH.
Copyright 2026 INTERTECH Importer węży i złączy dla przemysłu. Wszelkie prawa zastrzeżone. Developed by Cansoft sp. z o.o.