Zawór Kulowy - Mini - GW/GW - z Mosiądzu Chromowanego - KARASTO
Zawór kulowy mini w sześciokątnej obudowie z mosiądzu chromowanego, z gwintami wewnętrznymi. Łatwy w montażu. Uniwersalne zastosowanie przy przesyle mediów ciekłych i gazowych w przemyśle i zastosowaniach gospodarczych.

Materiał Korpus: Mosiądz CW617N chromowany; kula: mosiądz CW614N chromowany. Wrzeciono: mosiądz CW614N; uchwyt: tworzywo.
Ciśnienie robocze 15 bar.
Temperatura Pracy Woda od 0 °C do +90 °C; powietrze od -15 °C do +110 °C.
Uszczelnienie Kula z pierścieniami z PTFE; wrzeciono z O-ringiem z NBR.
Gwint ISO 228

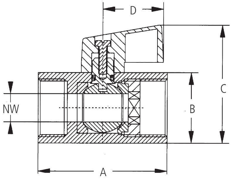
gwint wewn. NW [mm] A [mm] c [mm] D [mm] nr id nr artykułu
1/8" 6 40 38 22 4618
1/4" 8 40 38 22 4614
3/8“ 8 40 38 22 4600
1/2“ 10 46 42 22 4601
3/4“ 12 52 48 22 4603

Właściwości użytych materiałów i zastosowanie.

Zawór kulowy mini z pełnym przepływem, w którym korpus wykonany jest z mosiądzu chromowanego, z elementami z tworzyw sztucznych i uszczelkami z PTFE i NBR.

Ogólne właściwości materiałów:

Mosiądz chromowany stosuje się dla zachowania fizycznych właściwości którymi charakteryzuje się mosiądz, ale potrzebna jest odporność powierzchni wyrobu na śniedzenie, czyli zjawisko korozji metalu, oraz zabezpiecza przed zjawiskiem odcynkowania, które polega na wypłukiwaniu ze struktury stopu atomów cynku. Dochodzi do tego zjawiska w środowisku zawierającym chlor, który rozpuszcza cynk i doprowadza do zgąbczenia materiału. Taki materiał traci wówczas wytrzymałość, co może skutkować w przypadku przewodów przesyłowych, uszkodzeniem mienia, zdrowia a nawet życia operatorów. Na odcynkowanie mosiądzu wpływ ma również praca przy wysokich temperaturach, oraz w kwaśnym środowisku (substancje o niskim pH). Nałożona na mosiądz warstwa ochronna z czasem ulega mechanicznemu ścieraniu. Zwykle ten proces jest bardzo powolny i może trwać kilka lat.

Złącza wykonane z tego materiału znajdują zastosowanie zwłaszcza przy przesyle niskociśnieniowym w niskich temperaturach. Najczęściej stosowany do wody i nieagresywnych mediów w ogrodnictwie, w rolnictwie i przy lekkich zastosowaniach przemysłowych, zwłaszcza związanych z utrzymaniem czystości. Mosiądz może być również wykorzystywany w instalacjach do przesyłu nieagresywnych mediów gazowych. Materiał ten jest odporny na warunki atmosferyczne i promieniowanie UV, jednak nie zaleca się narażenia go na szybkie ścieranie mechaniczne.

Politetrafluoroetylen czyli PTFE to polimer fluorowy, który otrzymuje się poprzez polimeryzację tetrafluoroetylenu. Materiał powszechnie znany pod nazwą handlową teflon, ale również polyflon czy tarflen. Jest termoplastem o wysokiej sprawności i właściwościach semikrystalicznych. Materiał ten uważa się za jeden z najbardziej stabilnych termicznie, wyróżnia się bardzo dużą odpornością na działanie niemal każdego znanego pierwiastka, związku chemicznego czy rozpuszczalnika. Stosowany jest między innymi do wyrobu aparatury chemicznej, do budowy maszyn, w kriotechnice, technice filtracyjnej, medycznej czy w przemyśle spożywczym.

NBR zwany potocznie gumą olejoodporną jest kopolimerem butadienu i akrylonitrylu, procentowy skład tych związków decyduje o jej odporności na oleje i niską temperaturę. Może pracować od -20°C do +70°C dla gorącej wody, czy nawet +164°C dla pary wodnej. Guma ta wykazuje odporność na oleje silnikowe, opałowe, transformatorowe, smary, płyny hydrauliczne, węglowodory alifatyczne, propan, butan, benzynę, alkohole, wodne roztwory soli, rozcieńczone kwasy i zasady w niewysokich temperaturach. Świetnie pracuje w ścisku, przy dużych ciśnieniach. Guma ta wykazuje niską odporność na oleje i smary silikonowe, płyny hamulcowe na bazie glikolu, ciecze hydrauliczne typu HFD, stężone kwasy i ługi, węglowodory aromatyczne i chlorowane (np. benzen, tri), estry.

Rączka wykonana z Poliamidu (PA), który jest produktem polikondensacji kwasu adypinowego oraz heksametylodiaminy. Jest to tworzywo sztuczne z grupy tworzyw krystalicznych. Wyróżnia się znakomitymi parametrami mechanicznymi, dużą odpornością na rozciąganie i ścieranie, a także niewielkim współczynnikiem tarcia. Do największych zalet PA zaliczyć można stabilność kształtu w wysokich temperaturach. Odporność na temperaturę tego materiału wynosi między -30°C a +100°C. Poliamidy znajdują zastosowanie wszędzie tam gdzie potrzebna jest odporność na obciążenia uderzeniowe i zderzeniowe bez kosztownych konstrukcji ochronnych. Dlatego złącze z tego materiału jest doskonałą alternatywą dla złączy wykonanych z innych materiałów. Materiał posiada dobrą odporność na promieniowanie UV oraz odporność chemiczną na oleje, tłuszcze smary i benzynę.

Normy

Produkt zgodny z rozporządzeniem Parlamentu i Rady Unii Europejskiej (UE) 2019/1021, które dotyczy trwałych zanieczyszczeń organicznych, mogących na trwałe przenikać do środowiska, czy organizmów żywych. Zgodnie z tym rozporządzeniem, oraz zgodnie z rozporządzeniem (WE) nr 1907/2006 (znanym jako REACH) wyroby proponowane przez producenta, spełniają normy ilościowe zawartych substancji. Pełna treść rozporządzenia w języku polskim dostępna tutaj >>>

Zgodnie z art. 33 rozporządzenia (EC) nr 1907/2006, zwanym rozporządzeniem REACH, producent informuje, iż użyty do produkcji złączek mosiądz, może zawierać więcej niż 0,1% masy całkowitej Ołowiu (Pb), który figuruje na tzw. "Liście Kandydatów" substancji wzbudzających szczególnie duże obawy (SVHC). Ołów uważany jest za substancje niebezpieczną i figuruje pod numerem CAS: 7439-92-1. Pełny wykaz substancji znajduje się na stronie Agencji Chemikaliów Parlamentu Europejskiego, dostępnej tutaj >>>

Zastosowanie:

Zawory kulowe to rodzaj zaworów przepustowych, które służą do regulacji przepływu mediów, takich jak ciecze, czy gazy w różnych systemach i instalacjach przesyłowych. Zawory kulowe cechują się prostą konstrukcją, szybkim działaniem oraz wysoką niezawodnością, co sprawia, że są powszechnie stosowane w przemyśle. Zasada działania zaworu kulowego opiera się na obrotowej kuli z otworem, która umieszczona jest we wrzecionie zaworu. Kula ta może obracać się o 90 stopni, co pozwala na otwarcie lub zamknięcie przepływu medium. Gdy otwór w kuli jest zgodny z kierunkiem przepływu medium, zawór jest otwarty, co pozwala na swobodny przepływ. Natomiast gdy kula zostaje obrócona o 90 stopni, otwór staje się prostopadły do kierunku przepływu, blokując go całkowicie. Obrót kuli w zaworze kulowym może być kontrolowany za pomocą dźwigni, pokrętła.

Zawory kulowe są cenione za swoją prostą konstrukcję, łatwość obsługi, szybkie otwieranie i zamykanie, niskie opory przepływu oraz długą żywotność. Ze względu na te zalety, znajdują zastosowanie w różnych dziedzinach przemysłu, takich jak przemysł chemiczny, spożywczy, farmaceutyczny, energetyczny czy instalacje wodociągowe i gazowe.

Ponieważ zawór działa na zasadzie otwórz / zamknij, nie nadaje się do regulacji siły przepływu strumienia medium, co jednocześnie zapobiega jego „przeciekaniu”, które łatwo przeoczyć. Zawór w momencie gdy stwierdzimy drobne wycieki, jest niesprawny i wymaga wymiany.

Zawór nie nadaje się do przesyłu pary wodnej.



Interesują Cię inne produkty, potrzebujesz fachowego doradztwa?
Zadzwoń do nas, a nasi specjaliści dobiorą produkty dostosowane do Twoich potrzeb.
kontakt do firmy Intertech
Korzystamy z zabezpieczeń Google reCAPTCHA.
Obowiązują Polityka prywatności, Warunki użytkowania usług Google oraz Polityka prywatności INTERTECH.
Copyright 2026 INTERTECH Importer węży i złączy dla przemysłu. Wszelkie prawa zastrzeżone. Developed by Cansoft sp. z o.o.