Uchwyt Ścienny na Wąż - dla Przemysłu - ze Stali - KARASTO
Przemysłowy wieszak na wąż o solidnej konstrukcji. Dzięki wysokiej jakości materiału i starannemu wykonaniu z jednego kawałka stali, wieszak sprawdzi się przy przechowywaniu przewodów i węży w garażu, warsztacie, hali produkcyjnej, myjni czy na stacji przeładunkowej. Dostępny w 2 wersjach wykończenia, bez kołków montażowych.

Materiał Stal lakierowana proszkowo na srebrny kolor, lub ocynkowana galwanicznie.
Obszar zastosowań Dla przemysłu, do warsztatu itd.
Uwaga produkt nie posiada kołków montażowych.

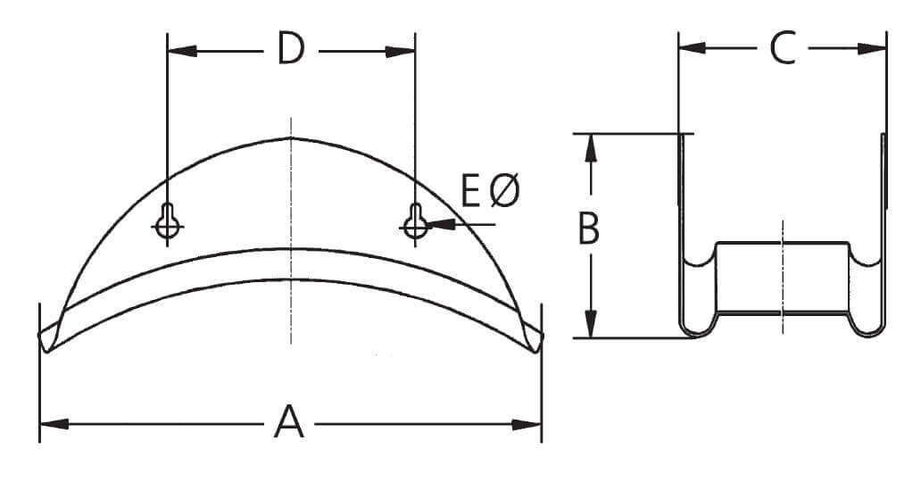
pokrycie pojemność bębna A [mm] B [mm] c [mm] D [mm] E [mm] nr artykułu
ocynkowana 1/2" - 70m 3/4" - 37m 280 140 130 140 Ø 11.7
lakierowana proszkowo 1/2" - 70m 3/4" - 37m 280 140 130 140 Ø 11.7

Właściwości użytych materiałów i zastosowanie.

Uchwyt naścienny na wąż wykonany ze stali.

Ogólne właściwości materiałów:

Stal ocynkowana jest to stal zabezpieczona przed korozją poprzez nałożenie warstwy cynku. Antykorozyjne właściwości powłok cynkowych polegają na tym, że cynk może tworzyć niezwykle odporne i bardzo trudno rozpuszczalne powłoki kryjące. Tworzą się one podczas kontaktu z powietrzem i wodą, składają się głównie z zasadowego węglanu cynku i to one są odpowiedzialne za właściwą ochronę przed korozją. Wprawdzie z biegiem lat są one w niewielkich ilościach znoszone przez wiatr i wpływy atmosferyczne, jednak z uwagi na znajdujący się pod nimi cynk, powstają na nowo. Jakość uzyskiwanych powłok cynkowych (połysk, gładkość, grubość, przyczepność, itp.) jest na nich różna i zależy od składu chemicznego, w szczególności od zawartości węgla, fosforu i krzemu.

Normy

Produkt zgodny z rozporządzeniem Parlamentu i Rady Unii Europejskiej (UE)2019/1021, które dotyczy trwałych zanieczyszczeń organicznych, mogących na trwałe przenikać do środowiska, czy organizmów żywych. Zgodnie z tym rozporządzeniem, oraz zgodnie z rozporządzeniem (WE) nr 1907/2006 (znanym jako REACH) wyroby proponowane przez producenta, spełniają normy ilościowe zawartych substancji.

Zgodnie z art. 33 rozporządzenia (EC) nr 1907/2006, zwanym rozporządzeniem REACH, producent informuje, iż użyty do produkcji złączek mosiądz, może zawierać więcej niż 0,1% masy całkowitej Ołowiu (Pb), który figuruje na tzw. "Liście Kandydatów" substancji wzbudzających szczególnie duże obawy (SVHC). Ołów uważany jest za substancje niebezpieczną i figuruje pod numerem CAS: 7439-92-1. Pełny wykaz substancji znajduje się na stronie Agencji Chemikaliów Parlamentu Europejskiego.

Dodatkowo, wszystkie produkty KARASTO, podlegają okresowej kontroli jakości, w tym badaniu na obecność substancji ujętych w rozporządzeniu REACH. Dzięki temu uzyskujemy każdorazową pewność, że produkt nie będzie miał szkodliwego wpływu na zdrowie użytkowników.

Zastosowanie

Stalowy uchwyt na wąż, wieszak produkcji KARASTO, to przeznaczony do montażu na ścianie, lub innej powierzchni, urządzenie do przechowywania i zabezpieczania węży przesyłowych, w przemysłowych zastosowaniach w warsztatach, garażach, halach produkcyjnych gdzie narażone są na duże obciążenia mechaniczne. Oryginalny wieszak na wąż został zaprojektowany z dbałością o szczegóły, aby zagwarantować wytrzymałość i stabilność konstrukcji. Dzięki temu można być pewnym, że wieszak nie zawiedzie nawet w najtrudniejszych warunkach.

Długa żywotność produktu nawet przy ciągłym obciążeniu. Jego wytrzymała konstrukcja sprawia, że z łatwością poradzi sobie z przechowywaniem węży przemysłowych do różnych zastosowań, również cięższych węży gumowych, umożliwiając ich komfortowe użytkowanie przez długi czas.

Doskonale sprawdzą się także w ogrodnictwie przemysłowym i rolnictwie przy uprawach warzyw, owoców czy roślin ozdobnych na skalę przemysłową, czy też przy utrzymaniu zieleni w obiektach użyteczności publicznej, przyhotelowych ogrodach i parkach.

W zależności od zastosowania i potrzeb, uchwyt może współpracować z innymi elementami

Propozycje urządzeń współpracujących ze zwijadłem

Karasto-klowe-weze

Uchwyt znajduje wiele uniwersalnych zastosowań przemysłowych i może pracować z wieloma rodzajami węży, które należy dopasować do konkretnej aplikacji, warunków pracy i parametrów przesyłanych mediów. Warto również zwrócić uwagę na cechy węży, takie jak ich odporność na skręcanie, zaginanie lub przecieranie, zwłaszcza w przypadku użytkowania na twardych powierzchniach, takich jak betonowe podjazdy.

W przypadku aplikacji przemysłowych, warto zwrócić uwagę na odporność węży na różne czynniki, takie jak temperatura, ciśnienie, substancje chemiczne oraz atesty i normy, które dopuszczają produkty do użytku w określonych warunkach. Dzięki temu można upewnić się, że cała instalacja będzie pracować w sposób bezpieczny i skuteczny w trudnych warunkach przemysłowych, co pozwoli uniknąć awarii i uszkodzeń, a także zapewnić wysoką jakość pracy.

Do zastosowania w ogrodach przydomowych, na działkach rekreacyjnych, czy też do budowy systemów nawadniających trawniki, polecamy świetnie sprawdzający się ze zwijadłami czy bębnami, wąż ogrodowy METALSTEEL

Do uniwersalnych zastosowań przy transporcie wody, polecamy tłoczny wąż o unikalnej konstrukcji TRICOTECH, dzięki czemu wykazuje się dużą odpornością na skręcanie, nadaje się zarówno do pracy na budowie, jak i w ogrodnictwie czy rolnictwie.

Urządzenia te również mogą pracować w aplikacjach do utrzymania czystości lub transportu mediów płynnych, które nie powinny być transportowane zwykłymi wężami ogrodowymi. Do takich przemysłowych, uniwersalnych zastosowań polecamy wąż techniczny RAUFILAM-E

Oferujemy szeroki wybór wyspecjalizowanych węży ogrodowych wykonanych z wysokiej jakości tworzyw sztucznych oraz gumy. Nasza oferta obejmuje węże o różnej jakości i specjalizacji zastosowań dla różnych potrzeb w ogrodzie i rolnictwie.

Karasto-klowe-pistolety

Dla wygodnej pracy, system GEKA® posiada idealnie dopasowane do potrzeb użytkowników wygodne końcówki do podlewania, mycia czy zraszania, wyposażone fabrycznie w złącza kłowe z rozstawem 40 mm, lub we wtyki w systemie GEKA Plus "push-fit".

Do zastosowań w przydomowych ogródkach, do wygodnego podlewania, czy utrzymania czystości wokół domu polecamy mosiężną dyszę zraszającą,

Dla bardziej wymagających zastosowań przy profesjonalnym myciu maszyn w przemyśle, zraszaniu wymagającymi mediami polecamy profesjonalny zraszacz pistoletowy z funkcją regulacji strumienia.

Do zastosowania przy uprawach sadowniczych, wysokopiennych roślin ozdobnych, czy przy przemysłowych uprawach paletowych, gdy chcemy zapewnić jak najbardziej przypominające naturalne warunki atmosferyczne nawadnianie upraw, polecamy stosowanie lanc nawadniających, o modułowej i modyfikowanej w zależności od potrzeb budowie.

Dostępna jest pełna gama końcówek nawadniających z wtykami szybkozłączek GEKA plus "push-fit", o różnym zastosowaniu.

Karasto-klowe-zraszacze

Dla ułatwienia utrzymania zieleni, oraz wszędzie tam, gdzie jej powierzchnia, nie pozwala na ręczne nawadnianie, rekomendujemy zastosowanie stacjonarnych i przenośnych zraszaczy. Zraszacze i węże kroplujące wkomponowane w całe systemy irygacyjne, świetnie sprawdzają się w przyhotelowych parkach, przy utrzymaniu zieleni miejskiej, przy przemysłowych uprawach roślin ozdobnych czy nawet przemysłowej uprawie warzyw i owoców.

Aby ułatwić zarządzanie podlewaniem, polecamy stosowanie sterowników i programatorów czasu podlewania, które pozwolą kontrolować zużycie wody i zredukować czas na nawadnianie i pielęgnację roślin. Polecamy zwłaszcza cyfrowy programator

Przy wymagających warunkach pracy, przy utrzymaniu większych połaci zieleni, czy też przemysłowych uprawach polecamy zaawansowany produkt, charakteryzujący się możliwością modyfikacji i rozbudowy o elementy zwiększające zakres jego możliwości. Zraszacz kołowy, z możliwością montażu na różnych platformach.

Szeroka gama zraszaczy i deszczowni wyposażonych w złącza kompatybilne z systemem GEKA®, wykonanych zarówno z metali jak i tworzyw sztucznych.

Karasto-klowe-zawory

Nawadnianie w ogrodzie, czy obsługa przydomowej myjki, będzie niemożliwa, jeżeli nie będziemy mieli zasilania wodą i przyłącza do instalacji systemowej, lub wody deszczowej magazynowanej w specjalnie do tego przeznaczonych pojemnikach. Dlatego oferujemy bardzo szeroki wybór kranów, przyłączy, zaworów i rozdzielaczy.

Do zaawansowanych zastosowań, gdy z jednego ujęcia wody, musimy obsłużyć dwie różne instalacje, np. zraszacz sektorowy do trawnika i jednocześnie myjkę w garażu, polecamy proste rozwiązanie rozdzielacza typu Y, dwudrożnego, z oddzielnymi regulowanymi zaworami.

Przy większym stopniu skomplikowania instalacji nawadniających, zwłaszcza przy obsłudze systemów kroplujących, przy uprawach i zarządzaniu sektorowym irygacją roślin o różnych potrzebach wegetacyjnych, czy też przy wielu bardzo różnych zastosowaniach przemysłowych polecamy kran czterodrożny

polecane-czesci-zamienne-GEKA-push-fit

System instalacji ogrodowych GEKA® , swoją żywotność zawdzięcza również modułowej budowie i możliwości wymiany zużytych, często narażonych na uszkodzenia podczas pracy, części zamiennych. W momencie gdy uszkodzimy podczas użytkowania, drobny element, lub chcemy go wymienić na element o innych parametrach, mamy taką możliwość. Większość elementów jest dostępnych, w pojedynczych egzemplarzach, lub w specjalnych zestawach naprawczych. W odróżnieniu od innych dostępnych na rynku produktów, po wymianie drobnego elementu, urządzenie nadal jest w pełni funkcjonalne, podczas gdy wiele plastikowych rozwiązań nadaje się tylko do utylizacji. Dzięki temu, mamy swój wkład w ochronę środowiska naturalnego, gdyż generujemy mniejszą ilość odpadów.

Posiadamy cały asortyment dostępnych części zamiennych

Karasto-GEKA-plus-pushfit-system

Zestaw zwijadła naściennego współpracuje z intuicyjnym i prostym w obsłudze systemem szybkozłączek ogrodowych GEKA Plus "push-fit". Elementy tej armatury, kompatybilne z tym systemem, ułatwiają prace w przydomowym ogrodzie, zamieniając uciążliwy obowiązek w przyjemność.

Szybkozłącza te są kompatybilne z profilem wtyków znanym z rozwiązań wykonanych z tworzyw sztucznych typu "GARDENA" czy REHAU, jednak odróżniają się od nich jakością i materiałem wykonania, zapewniając większą żywotność i odporność na uszkodzenia mechaniczne dzięki zastosowaniu mosiądzu. Szybkozłączki te wytrzymają nieumyślne najechanie samochodem osobowym, czy upadek z dużej wysokości na twarde podłoże.

W ostatnich latach mamy do czynienia z niedoborem deszczu i wody w sezonie wiosenno-letnim, a specjaliści często informują o zjawisku tzw. "suszy hydrologicznej". Uprawiane rośliny, często nie mają dobrych warunków do prawidłowego rozwoju. Koniecznością staje się zadbanie o odpowiedni poziom nawodnienia. Dzięki nowoczesnemu, doskonale zaprojektowanemu systemowi "push-fit" produkcji KARASTO, dbamy o prawidłowy poziom nawodnienia przydomowego ogrodu, trawnika, działki a nawet przyhotelowych parków, trawników i klombów bez obaw o wysokie rachunki za wodę. Dzięki tym urządzeniom, ogród praktycznie podlewa się sam.

Poza sezonem urządzenia należy zmagazynować i zabezpieczyć, co ułatwia specjalnie zaprojektowany system, którego elementy łatwo dają się oczyścić z zabrudzeń. Prosty i intuicyjny system wtykowy, pasujący do większości ogrodowych systemów "push-fit" (takich jak np "GARDENA") pozwala na szybką obsługę urządzenia, nawet przez dziecko czy osobę z mniejszą sprawnością ruchową.

Niemiecki producent, gwarantuje wysoką jakość wykonania, długą żywotność i bezawaryjność, co pozwala zaoszczędzić na sezonowych wymianach sprzętu na nowy, niższej jakości. Dzięki inwestycji w dobry jakościowo sprzęt, który służy nam wiele lat, oszczędzamy w stosunku do krótkotrwałych tańszych rozwiązań.

Karasto-klowe-system

Intuicyjny, prosty w obsłudze i niezawodny systemem złączek kłowych GEKA®, ułatwia prace w ogrodnictwie, rolnictwie uprawnym i hodowlanym, w przemyśle czy budownictwie zmniejszając czas potrzebny na uciążliwą obsługę utrzymania instalacji. Oryginalne złącza dają gwarancję wysokiej jakości wykonania zapewniając większą żywotność i odporność na uszkodzenia mechaniczne dzięki zastosowaniu mosiądzu według restrykcyjnych parametrów i kontrolom jakości prowadzonym przez firmę. Szeroka gama gotowych rozwiązań, różnorodność figur, przejściówek i przyłączy daje możliwość pracy systemu zarówno z wężami o różnych średnicach, w różnych aplikacjach, wykonanych z różnych materiałów, bez potrzeby martwienia się o dopasowanie, co ma miejsce w wielu innych systemach złączy przemysłowych. Duża liczba gotowych urządzeń wyposażonych w złącza tego typu, pozwoli w pełni zaspokoić często wysokie wymagania stawiane przed instalacjami w przemyśle i rolnictwie.

System charakteryzuje się uniwersalnością zastosowań, dużą ilością urządzeń o wielorakim zastosowaniu, gwarancją wykonania i kompatybilności poszczególnych elementów. Aby dobrać kolejne urządzenia do rozbudowania możliwości systemu GEKA®, warto sprawdzić dostępną kategorię



Interesują Cię inne produkty, potrzebujesz fachowego doradztwa?
Zadzwoń do nas, a nasi specjaliści dobiorą produkty dostosowane do Twoich potrzeb.
kontakt do firmy Intertech
Korzystamy z zabezpieczeń Google reCAPTCHA.
Obowiązują Polityka prywatności, Warunki użytkowania usług Google oraz Polityka prywatności INTERTECH.
Copyright 2026 INTERTECH Importer węży i złączy dla przemysłu. Wszelkie prawa zastrzeżone. Developed by Cansoft sp. z o.o.