PrevoS1 - Przyłącze Ścienne - Rozdzielacz z Szybkozłączkami - DN 7,4 - PREVOST S1 - z Gwintem Wewnętrznym - 4, 6, 8 lub 10 portów
Uchwyty ścienne, rozdzielacze z czterema i więcej szybkozłączkami DN 7,4, z gwintami wewnętrznymi BSPP. Rozdzielacze posiadają mechanizm spustowy. Francuski producent PREVOST. Wykonany z aluminium. Stosowana do budowy instalacji pneumatycznych w przemyśle i rzemiośle.

Ciśnienie robocze [bar] od 2 do 12.
Temperatura pracy [°C] od -20 do +80.
Materiał aluminium
Medium powietrze.
Gwint BSPP (ISO 228)

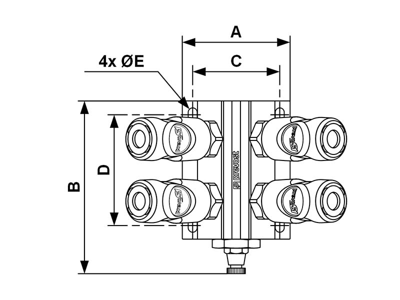
gwint wewn. BSPP (wejście) [cale] szybkozłączki (wyjście) liczba portów szerokość (A) [mm] długość (B) [mm] rozstaw otworów montaż. (C) [mm] rozstaw otworów montaż.(D) [mm] ø otworów montaż. [mm] min. ciśnienie pracy [bar] max. ciśnienie pracy [bar] nr artykułu
G 3/4'' ESI 07 4 78 135 63 80 6,5 2 12
G 3/4" ESI 07 6 78 180 63 125 6,5 2 12
G 3/4" ESI 07 8 78 225 63 170 6,5 2 12
G 3/4" ESI 07 10 78 215 63 215 6,5 2 12

Właściwości użytych materiałów i zastosowanie.

Uchwyt montażowy  wykonany z aluminium, z szybkozłączkami DN 7,4.

Ogólne właściwości materiałów:

Stopy aluminium, poza glinem zawierają cynk, miedź, krzem, mangan i wiele innych metali. Charakteryzują się dużą wytrzymałością i twardością, oraz niską wagą. Dzięki odporności na korozję i małą gęstość, używa się tego materiału do wyrobu złączy niskociśnieniowych wszędzie tam, gdzie istotna jest niska waga produktu, czyli np. w systemach hydraulicznych, w przemyśle samochodowym, lotniczym, w automatyce i cybernetyce. Dzięki zastosowaniu techniki zwanej anodowaniem, zwiększa się odporność stopu na zużycie, czy przetarcie. Stopy te charakteryzują się również dobrą odpornością chemiczną na przesyłane media, dzięki czemu często polecane są w połączeniu z przewodami z tworzyw sztucznych.

Zastosowanie

Uchwyty przeznaczone sa do zastosowania jako punkty dostępowe przy budowie instalacji pneumatycznych. Zaprojektowane z myślą o współpracy z szybkozłączkami PREVOST, z serii PrevoS1. Szybkozłączki z tej serii przeznaczone są przede wszystkim do transportu sprężonego powietrza w systemach pneumatycznych. Uchwyt posiada wejście od góry z gwintem wewnętrzym BSPP i parzystą ilość portów i szybkozłączek na wyjściu.  Szybkozłączki z tej serii, niezależnie od rozmiaru i profilu wtyku są jednocześnie zaworami jednostronnie odcinającymi, co zapobiega wydostawaniu się medium w przypadku rozpięcia przewodu i nie wymaga dodatkowego zaworu zamykającego instalacje w celu jej rozpięcia. Rozdzielacze wyposażone są w manualne systemy spustu. Wszystkie szybkozłączki są fabrycznie zamontowane, w rozmiarze DN 7,4.

Szybkozłączki z serii PrevoS1 posiadają specjalny system odpowietrzenia, który stworzono dla zwiększenia bezpieczeństwa operatorów pracujących z przewodami transportującymi sprężone powietrze. Specjalna konstrukcja zapobiega powstawaniu przy rozłączaniu efektu "biczowania" końcówki przewodu (whiplash effect), oraz redukuje hałas.

Zastosowanie szybkozłączek w przemyśle i rzemiośle

Szybkozłączki znajdują wszechstronne zastosowanie w różnych gałęziach przemysłu, od automatyki i robotyki, po warsztaty rzemieślnicze. Dzięki swojej funkcjonalności i konstrukcji spełniają oczekiwania nawet w najbardziej wymagających aplikacjach.

Kluczowe obszary zastosowania:

  • Robotyka i automatyka przemysłowa: Używane do sterowania urządzeniami, maszynami, liniami produkcyjnymi i narzędziami. Idealne do pracy w zautomatyzowanych procesach produkcyjnych, gdzie niezawodność i szybka obsługa mają kluczowe znaczenie.
  • Technologia pomiarowa: Znajdują zastosowanie w systemach kontrolnych i pomiarowych, zapewniając precyzję i łatwość w obsłudze.
  • Narzędzia i urządzenia pneumatyczne: Doskonale nadają się do zasilania powietrzem urządzeń takich jak wiertarki, szlifierki i klucze pneumatyczne. Mogą być montowane bezpośrednio do narzędzi, co ułatwia ich obsługę.
  • Warsztaty samochodowe i lakiernicze: Korpus z nieprzewodzących polimerów kompozytowych zapobiega generowaniu elektryczności statycznej, co jest szczególnie ważne w pracy z farbami i lakierami. Lekka obudowa minimalizuje ryzyko uszkodzenia delikatnych powierzchni, nawet w przypadku przypadkowego kontaktu.
  • Linie montażowe: Powszechnie stosowane w przemyśle motoryzacyjnym i wielkoskalowej produkcji, gdzie liczy się szybkość i precyzja połączeń.
  • Produkcja i warsztaty obróbcze: Używane w mechanicznej obróbce metali, drewna i tworzyw sztucznych.
  • Przemysł papierniczy i poligraficzny: Wspierają procesy technologiczne związane z drukiem i produkcją papieru.
  • Przemysł tekstylny i tworzyw sztucznych: Sprawdzają się w środowiskach wymagających lekkich i odpornych na zarysowania komponentów.
  • Prace z delikatnymi materiałami: Dzięki lekkiej konstrukcji są idealne do pracy z wrażliwymi powierzchniami, takimi jak szkło, polerowane metale czy wykończenia lakiernicze.
  • Edukacja techniczna: Szybkozłączki są popularne w szkołach technicznych i centrach szkoleniowych jako element nauki obsługi urządzeń pneumatycznych.

Zalety szybkozłączek:

  • Bezpieczeństwo: Konstrukcja zapewnia ochronę użytkowników przed zjawiskami niepożądanymi, takimi jak wyładowania elektrostatyczne.
  • Łatwość obsługi: Lekka i ergonomiczna budowa umożliwia szybkie połączenie i rozłączenie, często jedną ręką.
  • Wszechstronność: Mogą być używane w szerokim zakresie zastosowań, zarówno w przemyśle ciężkim, jak i w precyzyjnym rzemiośle.

Szybkozłączki są niezastąpione wszędzie tam, gdzie liczy się szybkość, precyzja i bezpieczeństwo pracy. Dzięki nowoczesnym materiałom kompozytowym łączą trwałość z delikatnością, zapewniając efektywność w różnorodnych środowiskach pracy.



 

Interesują Cię inne produkty, potrzebujesz fachowego doradztwa?
Zadzwoń do nas, a nasi specjaliści dobiorą produkty dostosowane do Twoich potrzeb.
kontakt do firmy Intertech
Korzystamy z zabezpieczeń Google reCAPTCHA.
Obowiązują Polityka prywatności, Warunki użytkowania usług Google oraz Polityka prywatności INTERTECH.
Copyright 2026 INTERTECH Importer węży i złączy dla przemysłu. Wszelkie prawa zastrzeżone. Developed by Cansoft sp. z o.o.